YF-FJ欠速開關速度傳感器
由于產品型號眾多,我司各種電氣規格型號齊全,有任何需求可以與我公司銷售人員聯系,生產各種規格型號的跑偏開關、拉繩開關、傾斜開關、打滑開關、失速開關、溜槽堵塞開關、聲光報警器、限位開關、磁性開關、撕裂開關、料流開關等產品,產品適用范圍廣,用途多,產品銷售國內外100多個國家和地區,銷售電話:15163766288(微信同號)
YF-FJ欠速開關概述
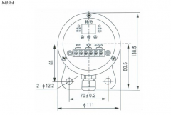
欠速開關是一種經濟、可靠性強、對軸轉速及旋轉裝置簡單通用的檢測裝置,當檢測到目前轉速信號低于或高于正常轉達速范圍,開關輸出一組開關信號,以供警示或停機。無運動部件、無磨損、壽命長,結構,集中的控制裝置,設定或故障檢修簡單。外殼采用防水、防塵的設計,兩螺栓固定殼體,打滑開關HQZS-001SPT/D是一種費用低。可靠性強、對軸轉速及其他旋轉裝置簡單通用的監測裝置。打滑開關放置在防風雨的密封、抗腐蝕外殼內,允許暴露在惡劣環境中工作。非接觸接近探測器,壽命長、維護費用低.兩螺栓固定,確保安裝簡單一體化結構,集中的控制裝置,設定或故障檢修簡單無運動部件、無磨損、安全壽命長。打滑開關啟動延遲,旋轉設備起動過程中尚未達到工作速度時,10秒鐘延遲報警。,可直接安裝在惡劣環境中使用。 YF-FJ欠速開關,打滑開關HQZS-001SPT/D工作原理盤隨膠帶運行而旋轉時,傳感器的磁感應信號輸入到控制電路中去,經放大、整形后進行計數。其計數值與預置數比較,判斷膠帶機的帶速,即:正常速度、打滑或超速等。同時,執行電路輸出相應的開關信號。當觸輪隨膠帶機運行而旋轉時帶動機內的脈沖盤,在脈沖盤旋轉時引起的磁感應信號的變化輸入到速度傳感器的控制電路中,經電路放大、比較、整形后進行計數。其計數值與預置數比較,判斷膠帶的帶速,同時執行電路輸出相應的開關信號。既:在達到低于打滑速度時執行電路輸出相應的開關信號,使主機停機。,非接觸式欠速開關,打滑開關使用安裝:感應面與開關閘的距離4mm為佳,感應點可以是從動輪處凸出(面)部分(鐵類),也可以采用凹面作為感應面。如果從動輪側面無凹凸面,可以在從動輪內側骨架上焊接一厚度為7mm鐵片作感應面。感應面面積必須大于開關感應面(出廠時已配感應面)注:有些輸送機從動輪無法安裝的,打滑開關可安裝在于膠帶緊密接解且在膠帶運行中不會出現脫離膠帶能正常運轉的轉軸或滋輪處。某些安裝位置可能需要現場制作安裝支架,特殊情況下,如需要從新調節開關速度是時,打滑開關在安裝好開關后,啟運輸送機。在輸送機正常速度下逆時針方向調整開方微開關內部電位器,調整到動作指示燈連接方式:接線方式參照標牌所標線色。,卓信打滑速度開關
設置說明
1、當電源接通時,繼電器吸合延時約10秒,綠燈和紅燈亮;數碼管顯示的是每分鐘的轉數(各數字不閃爍);2、打滑速度設置:按"設置鍵△"出現數碼管顯示為"000"且各位閃爍,通過"鍵 "和"鍵 "輸入123;再按設置鍵,數碼管顯示為打滑速度,再按"鍵 "和"鍵△"可修改打滑速度,再按"鍵△",非接觸速度傳感器(打滑)開關是一種經濟、可靠性強、對軸轉速及其它旋轉裝置簡單通用的監測裝置。當監測到當前轉速信號低于或高于正常轉速范圍開關輸出一組開關信號,以供報警或停機。外殼采用防水防塵設計可直接安裝在惡劣環境中使用。非接觸接近探測器,壽命長、維護費用低,兩螺栓固定,確保安裝簡單,一體化結構,集中的控制裝置,設定或故障檢修簡單,無運動部件、無磨損、安全壽命長。,打滑速度設置完畢;3、轉數高于設置的打滑速度繼電器吸合,否則繼電器斷開;一般打滑速度的設置低于機器正常轉數的20-30。
技術參數
型號/參數
電源電壓
檢測范圍
脈沖
轉速
開機延時
開關與目標距離
開關數量
解點容量
電流
YF-FJ
220VAC
0.5m/s-9.99m/s
6-120Hz 0-999轉/分
10s 10-20mm
1組常開
1組常閉
24-380V
AC/C
1.


H-J打滑欠速開關
傾斜開關20-39-50FT
傾斜開關XT-LG-30
傾斜開關PLR30M-G-8
傾斜開關ETS-8-SS、
兩級跑偏開關HFKPT1-J-12-30
兩級跑偏開關HFKPT1-J-20-35
兩級跑偏開關HFKPT1-J-10-45
YHLS-FF,TLLS-FF雙向拉繩開關
BXYXL-11,BXYXL-II防爆雙向拉繩開關
JYB/KS-I、JYB/KS-II雙向拉繩開關
粉塵防爆雙向拉繩開關HFKPT2IP
雙向拉繩開關ELAW-21、ELAW-31、
![]() |


